航天泵閥為您介紹四通球閥
陜西航天泵閥科技集團有限公司是以研發、生產、銷售及服務為一體的高新技術型化工閥門生產企業,專業生產鍛造球閥、三通球閥、清管閥、料漿閥、石油化工設備等產品,閥門品種齊全,在行業內率先通過ISO9001,CE國際認證等,并在各化工領域投入使用,用戶對我公司閥門產品高度認可。咨詢熱線:400-1800-803。
球閥是一種與生產建設、國防建設和人民生活息息相關的重要通用機械設備,在各類管路系統中用于切斷或接通介質流,分配和改變介質流動方向。今天,航天泵閥小編準備給大家介紹球閥中的四通球閥。
氣動法蘭四通球閥
四通球閥,在電站系統中被稱為雙向供水轉換閥,在石化系統中又稱空氣換向切斷閥,適用于液體、氣體、粉塵、料漿及含固體顆粒介質的循環系統(如:電站機組冷卻器正反向循環供水系統。)
四通球閥原理圖
傳統的正反循環供水系統裝置所占空間大、造價成本高、操作程序繁瑣(每次切換需要操作四個閥門)。供水時,閥門1、4開啟,閥門2、3關閉;反向供水時閥門2、3開啟,閥1、4關閉。但是現在用一臺四通球閥即可替代,操作簡單方便。
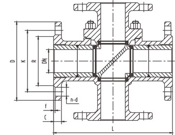
四通球閥結構圖
我公司研制的四通球閥可以代替正反循環供水系統裝置的工藝管匯和閥組的工作原理,簡化工序、方便操作、降低成本、便于控制,同步性好。四通球閥具有以下結構特點:
1、流體阻力小:四通球閥的球體和閥體所連接對應的管道截面是完全相等的,里面的球體通道,采取圓弧連接方式,所以,介質在通過球體的時候流體阻力非常小。
2、密封性能好:閥座采用能夠進行彈性變形的,高強度的PTFE材料,達到良好的密封性能也保證了閥門穩定性。
3、壽命長:四通球閥的閥芯以及光見頸的制作選擇奧氏不銹鋼做主料,閥座材料選擇PTFE制作,這種材料組合抗腐蝕性更強,會對閥門的使用起到一個保護作用,耐沙粒磨損,延長了使用壽命。
4、操作靈活:液動、電動、氣動三種控制模式可選,操控性靈活(必要時可切換到手動操作)。
四通球閥廣泛的應用在石油、化工、食品、制藥、造紙、水電水利、市政等行業。陜西航天泵閥科技集團有限公司堅持‘客戶至上’的發展基礎,以客戶為中心,為客戶提供滿意的產品和服務。如果您有需求或疑惑,請聯系我們!
航天泵閥公眾號
航天泵閥——40年行業經驗沉淀閥門品牌,您身邊的閥門專家!為您提供最優質的產品與最有效的閥門問題解決方案,航天泵閥以“品質和產品”對待每個客戶,為您服務!免費熱線:400-1800-803。







