氣動簿膜三通調節閥-航天泵閥
氣動薄膜三通合流、分流調節閥采用圓筒型薄壁宙口形閥芯導向,不同于柱塞形閥芯的襯套導向。配用多彈簧執行機構,具有結構簡單、重量輕、體積小、拆裝方便等優點...
查看詳情
電子式電動三通調節閥、分流調節閥采用圓筒型薄壁窗口形閥芯導向。配用9610L系列電子式直行程電動執行機構,接受O~10或4-20mA DC信號驅動閥門啟閉...
查看詳情
陜西航天泵閥科技集團有限公司是專業從事石油、天然氣地面設備一體化解決方案的企業,包含有石油天然氣的數據采集、傳輸、控制、分離一體化裝置等。主要產品有石油、天然氣的井口安全控制系統,集氣站撬裝,長輸管線安全隱含處理設備,油氣田增產設備、閥室全套解決方案,調節閥及各類高中壓閥門等。2006年組建陜西省特種閥門工程技術研究中心,承擔著省科技廳的部分研發項目。...
查看詳情
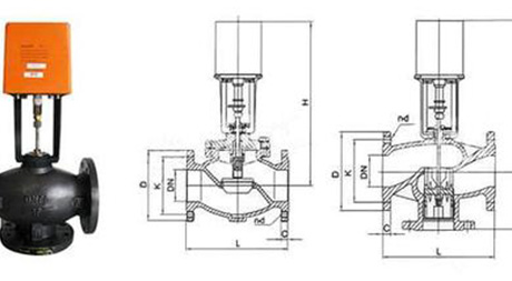
氣動薄膜直通單座調節閥采用頂導向結構,配用多彈簧執行機構。具有結構緊湊、重量輕、動作靈敏、充體通道呈S流線型、壓降損失小、閥容量大、流量特性精確、拆裝方便等優點...
查看詳情
品質和服務是我們這些年來立足發展之本,我們用100%的努力,只為您10 分的滿意。您的每一次建議或批評,都是對我們關心與鞭策。航天泵閥——40年行業經驗沉淀門閥品牌!免費咨詢熱線:029-83270070。...
查看詳情
中國石油學會標準化工作委員會考察團蒞臨我司考察調研
中國石油學會標準化工作委員會考察團蒞臨我司考察調研
企業新聞 真誠、專業、規范、創新 務實、感恩、分享、共贏 企業簡介 陜西航天泵閥科技集團有限公司成立于2003年,是一家專注于為石油天然氣上游產業鏈提供一體化解決方案的能源裝備定制商與服務商,以打造智慧化油田為己,業務涉及能源裝備研發制造、天然氣產業投資及運營、能源環保投資及運營等多領域。公司占地150畝,現有職工600余人,聘請國內知名專家、教授為技術顧問,研發人員160人,共有385臺(套)加工檢測設備,擁有先進的加工中心16臺,各類數控機床200多臺。公司是國家級專精 【更多詳情】